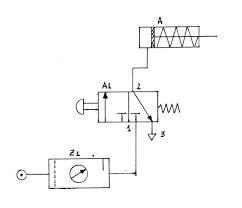
Conceptos de Neumática Online version Responde a las preguntas del siguiente test by Aaron Benjamin Morales Molina 1 La velocidad es una de las principales características de la Neumática a Falso b Verdadero 2 La imagen que se muestra a continuación, representa a: a Manómetro b Regulador c Unidad de Mantenimiento d Lubricador 3 El cilindro que realiza trabajo en un solo sentido, generalmente en el avance, se conoce como Respuesta escrita 4 Este tipo de compresor tiene la capacidad de elevar la presión a magnitudes elevadas, haciendo comprimir el aire por mas de una cámara a De embolo b Reciprocante c Rotativo d De dos etapas 5 Son componentes mecánicos que se encargan de distribuir la presión de aire a puntos específicos a Válvulas reguladoras b Válvula de presión c Válvula distribuidora d Válvula limitadora 6 El elemento mostrado representa: a Válvula de accionamiento pilotado b Válvula normalmente cerrada c Válvula con accionamiento manual d Válvula limitadora 7 La posición inicial de una válvula la determina a La dirección de las flechas b El tipo de accionamiento c La forma constructiva d La numeración en la simbología 8 Que representa la imagen: a Válvula biestable b Válvula de presión c Válvula normalmente abierta d Válvula con accionamiento múltiple 9 De acuerdo con el vídeo, que acción se debe de llevar a cabo para evitar partículas y aceite. Respuesta escrita 10 De acuerdo con el vídeo, que acción se debe de llevar a cabo para evitar el condensado Respuesta escrita 11 De acuerdo con el vídeo, es el tipo de secado que utiliza un agente frigorífico Respuesta escrita 12 De acuerdo con el vídeo, es el tipo de secado que utiliza dos adsorbedores que trabajan simultáneamente Respuesta escrita 13 El esquema mostrado se utiliza para controlar: a Cilindro de doble efecto manualmente b Cilindro de simple efecto con accionamiento pilotado c Cilindro de simple efecto con accionamiento manual d Todas son correctas 14 La simbología presentada es de: a Calefactor b Filtro de presión c Condensador d Enfriador 15 La simbología presentada es de: a Enfriador b Secador c Condensador d Calentador 16 La presión de aire se manifiesta igual del lado del embolo que del lado del vástago a Falso b Verdadero 17 La simbología presentada es de: a Válvula biestable b Válvula de accionamiento pilotado c Válvula de rodillo d Válvula limitadora 18 La válvula de función AND, tiene la característica que puede permitir el paso de la presión cuando: a Existe presión en las dos entradas b Existe presión en una entrada c Existe presión en la salida d No existe presión 19 La válvula reguladora de caudal unidireccional se representa: a b c d 20 Es un componente que permite el paso de la presión en una sola dirección y es utilizado para sostener cargas en los cilindros a Antirretorno b Compensadora c Reguladora de presión d Hidrostática