New game
Get Academic Plan

Examen Rapido General de PLC

Quiz

Repasar los temas vistos de PLC

Download the paper version to play

88 times made

Created by

Mexico

Top 10 results

  1. 1
    05:27
    time
    30
    score
  2. 2
    Gabriel
    Gabriel
    04:41
    time
    25
    score
  3. 3
    08:22
    time
    20
    score
  4. 4
    01:50
    time
    10
    score
Do you want to stay in the Top 10 of this game? to identify yourself.
Make your own free game from our game creator
Compete against your friends to see who gets the best score in this game

Top Games

  1. time
    score
  1. time
    score
time
score
time
score
 
game-icon

Examen Rapido General de PLCOnline version

Repasar los temas vistos de PLC

by El Raso Sonico
1

Selecciona el año y el nombre del primer PLC

2

Montacargas, Depuradora de agua potable, Línea de envasado y Planta química son ejemplo de:

3

Selecciona el orden correcto de los niveles de operación de la norma ISA-95

4

¿Cuáles son los medios por los cuales se puede hacer una comunicación entre los niveles que se estudiaron de la norma ISA-95?

Escoge una o varias respuestas

5

Se define como un dispositivo digital electrónico que tiene una memoria programable para almacenar instrucciones, este puede implementar funciones específicas como secuenciales, lógicas, temporizadas, etc. Y que realiza estas secuencias e instrucciones a partir de una programación

6

Selecciona las memorias mas comunes para un PLC

Escoge una o varias respuestas

7

Son módulos electrónicos que sirven para adquirir información del exterior necesaria para accionar dispositivos de salida de campo. Estos procesas códigos digitales entendibles por el módulo de procesamiento y así que se pueda manipular, analizar y almacenar esta información.

8

Escribe las posibles estructuras externas que puede tener un PLC

Respuesta escrita

9

La memoria, Acopladores, Fuente de alimentación, Microprocesador, E/S Serie, son algunas partes de:

10

Tipo de PLC que tiene como característica de que en un solo bloque se encuentra la fuente, el CPU, las entradas y salidas Y están limitado por sus dimensiones y esto hace que no tenga capacidad de crecer.

11

Tipo de PLC que tiene como característica de que sus elementos se encuentran separados y estos forman módulos en el PLC. Tienen más capacidad de memoria, capacidades de comunicación, alimentación, más módulos.

12

Tipo de PLC que tiene como característica principal que tienen menos de 32 E/S y generalmente puede manejar un conjunto reducido de I/O que sean menores a 100. Este permite el manejo de entradas y salidas digitales y algunos módulos especiales.

13

Tipo de PLC que tiene como característica principal que cuenta con 128 E/S, este se puede llegar a utilizar en aplicaciones comerciales y en OEM. Estos PLC tienen como capacidad de comunicación para crear una interfaz entre las máquinas donde están instalados y los sistemas de supervisión.

14

Tipo de PLC que tiene como característica de tener una mayor capacidad de comunicación con otros dispositivos y controles maestros. Tienen hasta 512 E/S y tienen incorporados la fuente de alimentación, su CPU y los módulos de I/O en uno solo principal.

15

Es un lenguaje gráfico, derivado del lenguaje de relevadores, que mediante símbolos representa contactos, solenoides. Su principal ventaja es que los símbolos básicos están normalizados según normas NEMA y son empleados por todos los fabricantes.

16

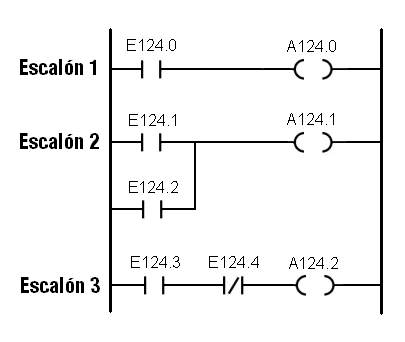
A que lenguaje de programación pertenece esta imagen:

17

Es un lenguaje grafico que proporciona una representación en forma de diagrama de las secuencias del programa. Los pasos consisten en piezas que son inhibida hasta que una condición es conocida. Este lenguaje es llamado Grafcet

18

Este es un lenguaje de alto nivel, está estructurado por bloques que poseen una sintaxis parecida al pascal. Este lenguaje puede ser empleado para hacer sentencias que son relativamente complejas y que manejen variables con un gran rango de distintos tipos de datos.

19

Es uno de los lenguajes más utilizado ya que está basado en el estandarizado de símbolos de programación.

20

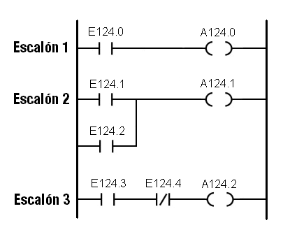
A que lenguaje de programación pertenece esta imagen: